Galeria
MAIS INFORMAÇÕES INTERESSANTES SOBRE REPARO PARA COMPRESSOR BITZER
Tratando dereparo para compressor bitzer, podemos dizer que serve para prolongar a vida útil da máquina ou reparar preventivos evitam (ou minimizam) as consequências de uma falha. Em resumo, podemos dizer que é feito por um técnico especializado em manutenção.
Pensando mais a longo prazo, habitualmente chamado pelos profissionais do ramo de manutenção de compressores de refrigeração, tem como marca da sua necessidade na rotina diária, otimizar os custos operacionais e garantir um bom funcionamento, tais fatores garantem o aumento da qualidade com retenção dos custos a médio e longo prazo e, em alguns casos específicos, logo nos primeiros meses.
VEJA ABAIXO DIFERENCIAIS DE REPARO PARA COMPRESSOR BITZER
Reparo para compressor bitzer com alta tecnologia você encontra na Grupo Util Refrigeração. Confira alguns destaques na lista abaixo:
- reposição de peças originais
- profissionais treinados para manutenção
- equipe de acompanhamento
ENTENDA MELHOR OS DETALHES SOBRE A GRUPO UTIL REFRIGERAÇÃO
No Grupo Util Refrigeração existe o que há de melhor em prestação de serviços em compressores e venda de compressores e componentes de refrigeração. São opções variadas que a empresa oferece, como reparo para compressor bitzer com reposição de peças originais. Se não bastasse tudo isso, ainda oferece experiência, pois está há mais de 50 anos no setor e produtos de diversos fabricantes, como, Bitzer, Danfoss, Copeland e Dorin.
Isso se deve ao fato da empresa ser líder no mercado e idônea no mercado, qualificações possíveis pela empresa possuir muita experiência e responsabilidade o que, somado a um time com agilidade em todos os processos e ética, garantem o sucesso de seus clientes de ponta a ponta.
Reparo de Compressor Bitzer
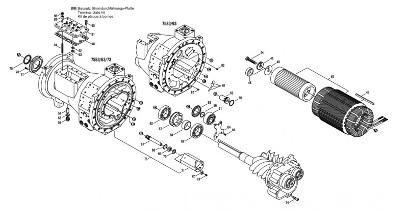
Somos Oficina Autorizada Bitzer e há 59 anos realizamos o Reparo de Compressores Bitzer sempre adotando todos os procedimentos e normas do fabricante eutilização de peças originais.
No Reparo do Compressores Bitzer são substituídos todos os seus componentes mecânicos que se encontram quebrados ou com desgastes além do limite operacional permitido pelos fabricantes, assim como, são realizados o rebobinamento do estator e encamisamento dos cilindros para sua medida original.
Todo serviço de Reparo de Compressor é realizado em nossa oficina, devidamente equipada com todos maquinários necessários e mão de obra altamente especializada.
Além dos Compressores Bitzer, realizamos também o Reparo de compressores de todas as outras marcas e capacidades, dos tipos Semi-herméticos, Aberto do Tipo Parafuso e Alternativo. Algumas das principais marcas são Compressor Copeland, Compressor Carrier, Compressor Carlyle, Compressor Sabroe, Compressor York, Compressor Trane, Compressor Dorin, Compressor Mycom, Compressor Hitachi, Compressor Bock)
